2021年宁波员工集中返岗交通补贴申请指南(时间+条件)
补贴对象
跨省集中组织员工返岗(就业)的我市行政区域内注册的非公企业或省外劳务协作输出地组织机构。
补贴标准
按照每辆车包车费用的50%给予补贴,最高不超过1万元;同一企业补贴总额最高不超过20万元。
申报时间
2021年4月1日至2021年6月30日(法定节假日除外)。

申报条件
2021年2月11日至3月底期间,租用(含合租)大巴车跨省“点对点”集中组织员工返岗,或省外劳务协作输出地包车输送员工返岗(就业),每辆车乘车人员不少于20人。
申报材料
1.汽车租赁合同及发票,并应注明包车单位、车辆数、价格、发车日期、出发到达地等信息;
2.《宁波市员工集中返岗交通补贴申报表》;
3.《宁波市申报员工集中返岗交通补贴员工花名册》;

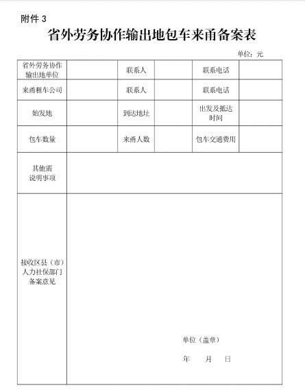
4.多家企业联合包车的,还需提供企业签字盖章认定的车辆租赁协议或说明。省外劳务协作输出地组织机构除需提供上述申报材料外,还需提供《省外劳务协作输出地包车来甬备案表》和省外劳务输出地县级及以上政府部门出具的书面函。
申报程序
可在申报时间内随时申报,由各区县(市)人力社保部门集中统一审核后次月底前拨付。
申报入口:点击进入

1.符合条件的企业通过宁波市就业管理网上服务系统,输入所在单位的登录信息进行网上申报,填写《宁波市员工集中返岗交通补贴申报表》《宁波市申报员工集中返岗交通补贴员工花名册》,并上传租赁合同及发票。因企业变更等原因无法进行网上申报的,可携上述材料(需盖章)至纳税所在地的区县(市)人力社保部门进行申报。
2.多个企业合并包车的,携上述材料(需盖章)至其中一家纳税所在地的区县(市)人力社保部门进行现场申报。
3.省外劳务协作输出地组织机构包车来甬的,需先向接收区县(市)人力社保部门备案,经审核同意后进行申报;涉及多个接收区县(市)的,由接收人数最多的区县(市)受理;无法认定接收地的,通过宁波就业创业资源对接平台(424941449@qq.com)备案,经市就业管理中心同意后进行申报。
附件:




